ミラーが近いよなぁ
どうもミラーの位置が近くて首を振る範囲が広くなってる
そんな時はこれ!
ポッシュフェイス オフセットミラーアダプター
品番 000720-06
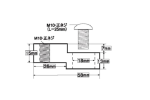
画像のは正ネジ仕様
M10ボルトに対応
品番で逆ネジだったり
逆ネジボルトが付属されたりで使い勝手がいいと思います
30mmぐらいのオフセットになりいい感じになります
汎用品としては少しだけお高く感じるかもしれませんが
物がしっかりしてるので満足度は高いと思われます。
一度お試しくださいませ♪
Amazonのリンク貼ってます
実はXMAX で使おうと思っています
左右用として2個買ったので付けたらまたお伝えしますね
んじゃバイバイ♪♪♪







